彩汇网

山东液压油缸生产厂家

·批发价格·报价

液压油缸专业生产厂家,提供液压站、液压系统解决方案

彩汇网24小时销售服务热线:

400-0533-331 18615115678

当前位置:液压油缸主页 > 液压站系统 > 动力单元系列 > 移动式剪叉平台 > 汽车举升机用动力单元规格型号/图片/参数/结构图

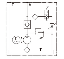
汽车举升机用动力单元

厂家品牌:山东国立液压

公司模式:生产厂家

加工方式:来图定制

销售批量:一台

产品价格:在线报价

产品简介:

销售区域:江苏,山东,广东,浙江,安徽,河北,河南,四川,辽宁,湖北,苏州,深圳,杭州,北京,无锡,成都,济南,郑州,上海,青岛,莱芜

产品标签:

电话订购

汽车举升机用动力单元参数大全

  • 技术参数
  • 型号说明
  • 系统特性
  • 行业应用

1.液压系统压力:130-180bar

彩汇网 2.液压油箱体积:6-12L

彩汇网 3.液压泵排量:2.1cc/r

彩汇网 4.电机功率:2.2KW

5.电机转速:2850r/min

彩汇网 6.功能:单作用

彩汇网 7.颜色:默认红色/塑料白色

8.安装方式:立式

9.油箱材料:铁皮(1-1,5mm),工程塑料

彩汇网 10.应用场合: 自动车辆,汽车,小型起重机

彩汇网 **为电磁换向阀电压

外形图片

此液压动力单元由高压齿轮泵、交流电机、液压阀、油箱等零部件有机结合为一体。为双柱汽车举升机提供升降功能,节流阀控制下降,可调节下降速度。
  • 上一篇:没有了
  • 下一篇:没有了
在线客服
联系方式

热线电话

彩汇网18615115678

上班时间

周一到周五

公司电话

0533-3142858

线
美彩国际7709 88爱彩 - 欢迎您 名贯彩票-大发精准计划 美彩国际 - 欢迎您 德彩网 - 欢迎您 79991cm德彩网 億彩网 - 首页 美彩国际 - 欢迎您